DISEÑO DE CIRCUITOS ELÉCTRICOS CON CROCODILE-CLIPS APLICADO A
TECNOLOGÍA (I)
PROYECTO Nº 1:DISEÑO DE UN PUENTE LEVADIZO
Mª Amelia Tierno López
Profesora de Tecnología
La
incorporación de las Nuevas Tecnologías de la Información y de la Comunicación
en el currículo de la ESO nos proporciona una herramienta muy útil a la hora
de entender y desarrollar contenidos relacionados con la electricidad, la electrónica,
la mecánica..., sobre todo por la cantidad de programas que permiten la
simulación de situaciones reales.
“Crocodile
Clips 3.0” es un software de simulación de circuitos eléctricos, electrónicos
y mecánicos, muy sencillo de manejar y por ello muy adecuado para el nivel de
Secundaria.

A
continuación se plantean algunas propuestas de proyectos de Tecnología para 2º
ciclo de la ESO desarrolladas con Crocodile Clips 3.0. Para su simulación se
puede descargar una demo de este programa en:
http://www.crocodile-clips.com/spanish/esdemo.htm
(es necesario cumplimentar un formulario)
WEB’s:
http://www.crocodile-clips.com/spanish/index.htm
http://www.crocodile-clips.com
DISEÑA Y CONSTRUYE UN PUENTE LEVADIZO QUE SIMULE EL COMPORTAMIENTO
DE UN PUENTE REAL.
EL PUENTE DEBE SUBIR AL
ACCIONAR UN PULSADOR Y DETENERSE CUANDO DETECTE EL FINAL DEL RECORRIDO.
MEDIANTE OTRO PULSADOR
COMENZARÁ EL MOVIMIENTO DE BAJADA, DETENIÉNDOSE CUANDO DETECTE LA POSICIÓN DE
FINAL DE RECORRIDO.
SE ENCENDERÁ UNA LUZ
ROJA EN LA SUBIDA Y UNA LUZ AMARILLA EN LA BAJADA.
Para
visualizar una animación real del puente levadizo, pulsa el siguiente icono:
MATERIAL
NECESARIO PARA EL CIRCUITO ELÉCTRICO
Motor de
corriente continua con reductora
Dos diodos
LED (uno rojo y otro amarillo)
Un diodo
1N4007
Dos
resistencias R= 100 W
Dos finales
de carrera
Un
interruptor de palanca
Dos
pulsadores (uno normalmente abierto y otro normalmente cerrado)
Un relé de
dos contactos
Cable
flexible y regletas de conexión
Una fuente
de alimentación o pila de 4,5 V
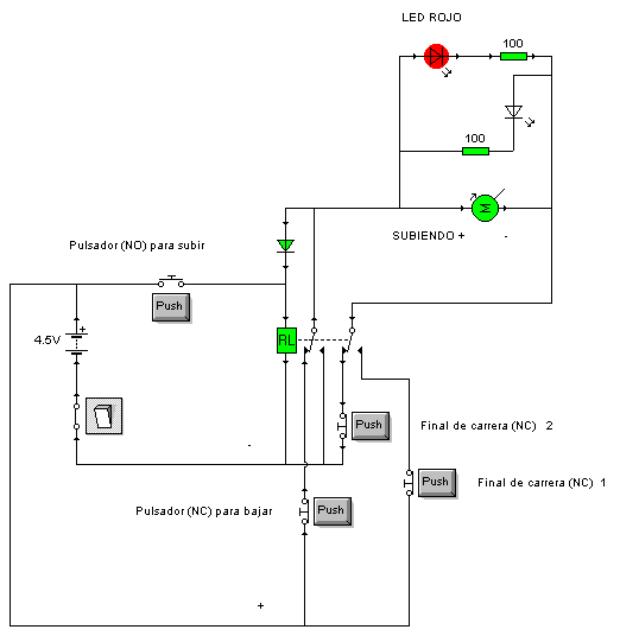
ESQUEMA
ELÉCTRICO REALIZADO CON CROCODILE CLIPS 3.0:
Figura
nº 1: esquema eléctrico del puente levadizo en posición de reposo.
Interruptor general abierto.
Figura
nº 2: esquema eléctrico del puente levadizo cuando está bajando.
Figura nº3: esquema eléctrico del puente levadizo cuando está subiendo
DESCARGAR ARCHIVO: CONTROL0.CKT
A continuación se muestran algunas imágenes de la maqueta del puente levadizo realizado por los alumnos de 4º E.S.O. del I.E.S. San Isidro de Azuqueca de Henares (Guadalajara)

Vista
general del puente levadizo

Puente
levadizo subiendo

En
la parte más alta del recorrido

Vista
del interior del puente

Detalle
de los Finales de Carrera

Detalle
del LED con resistencia en serie

Detalle
del motor con reductor de velocidad

Detalle
del relé y la regleta de conexiones. Al fondo la caja de mandos con los
pulsadores